# 071 長年住んだ家だから・・・耐震リノベという選択(豊田市陣中町)
コンパクトながら使いやすいキッチンにリフォームしました
お客様のご要望
元々はタバコ屋さんをしていた築46年木造2階建て住宅の耐震リフォーム
自身が心配なので耐震補強をして欲しい
水廻りが古くなり取り替えたい、また使いやすくしたい
足腰の弱くなったご主人のため安全な家にしたい
施工ポイント
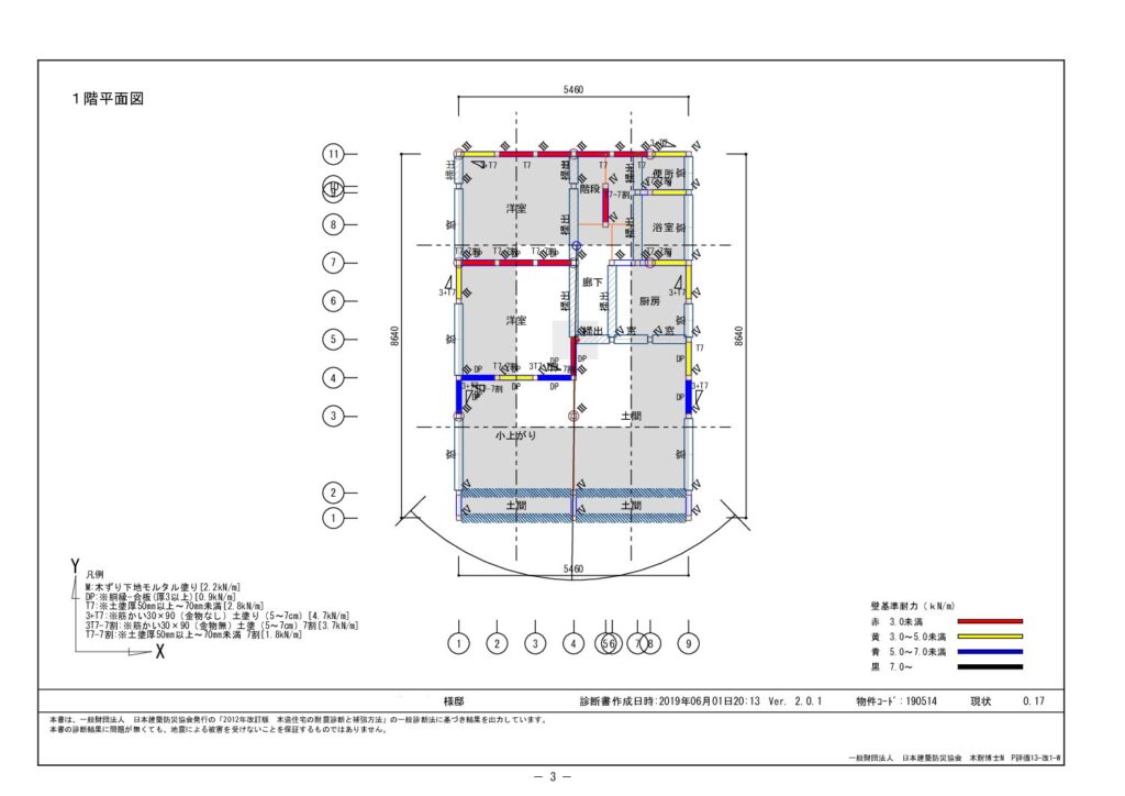
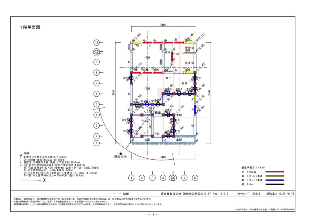
予算の都合、また2階を大きく触らない為、耐震評点目標値を1.0ではなく0.7として段階改修としました。
使用しやすい設備や間取りに変更しながら、壁の補強をし耐震性耐震評点を(工事前)0.18から(工事後)0.75まで向上させて豊田市の段階改修補助制度(補助金60万円)を利用しました
バリアフリー工事や手すり工事に関して下記補助金を利用しました
⓵介護保険の住宅改修補助制度(補助金20万円(1割負担あり))
⓶豊田市のすこやか住宅リフォーム助成金制度(補助金20万円)
物件概要
| 所在地 | 豊田市陣中町 |
|---|---|
| 建物 | 木造2階建て |
| 築年数 | 築46年 |
| リフォーム部位 | 木造2階建ての1階部分 |
| 工期 | 約2か月 |
| おおまかな費用 | 650万円 |
| 工事中の居住状態 | 住みながら |
| 家族構成 | 夫婦2人 |
| 主な仕上げ | 壁紙 |
この施工例についてのご質問はお気軽に!












